• Aplex water pump assembly for Vermeer D40x40

    Aplex water pump assembly for Vermeer D40x40

    0 out of 5

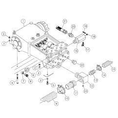
    REF. NO. PART NO. DESCRIPTION 1 244460-001 PUMP-SC65 2.25 TRIPLEX PLUNGER (BREAKDOWN FIG. 6-14 thru 6-19) 2 250513-001 NUT-5/8-NC GR8 TOP LOCK VZING 3 235715-001 WASHER-5/8 SAE HARD ZINC PLTD 4 250542-001 5/8-11X4 3/4 GR8 HEX BOLT 5 239245-001 BOLT 5/8″-11 X 2 1/4″ GR8 HEX 6 730-040 HEX BUSHING – 1/2X1/2 7 904831-001 FITTING…

    Read moreLoading Done
  • FMC water pump fluid end components for Vermeer D40x40

    FMC water pump fluid end components for Vermeer D40x40

    0 out of 5

    REF. NO. PART NO. DESCRIPTION 1 276521-069 FLUID CYLINDER 2 276521-071 VALVE ASSEMBLY 3 276521-073 VALVE COVER – F / AR VALVES 4 276521-075 STUD-1/2-13 UNC-2A X 4″ LG 5 276521-077 VALVE COVER CLAMP 6 276521-079 O-RING – 2 3/8 OD X 1/16 NOM 7 276521-081 HEX NUT – 1/2-13 8 276521-083 PLUG – 1/8″…

    Read moreLoading Done
  • FMC water pump power end components for Vermeer D40x40

    FMC water pump power end components for Vermeer D40x40

    0 out of 5

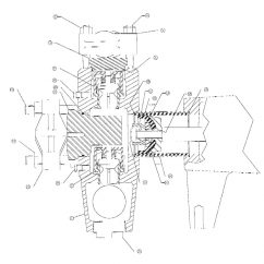
    REF. NO. PART NO. DESCRIPTION 1 276521-003 POWER FRAME 2 276521-005 PINION SHAFT 3 276521-007 ECCENTRIC GEAR ASSEMBLY 4 276521-009 CONNECTING ROD ASSEMBLY 5 276521-011 ECCENTRIC BEARING CAP 6 276521-013 BACKCOVER 7 276521-015 BEARING CONE – 2 1/4 ID 8 276521-017 BEARING CUP – 4.437 OD 9 276521-019 BALL BEARING – 1.968 ID DRH ROW…

    Read moreLoading Done
  • SC-65 water pump components – plunger assembly for Vermeer D40x40

    SC-65 water pump components – plunger assembly for Vermeer D40x40

    0 out of 5

    REF. NO. PART NO. DESCRIPTION 1 224408-129 STUFFING BOX-PLUNGER 2 224408-131 SEAL-STUFFING BOX (RUBBER) 3 239383-041 ROLL PIN-1/4X5/8 4 224408-135 PLUNGER-2 1/4″ DIA. 5 224408-133 BAFFLE PLATE-RUBBER 6 224408-127 CLAMP-PLUNGER 7 224408-159 ELASTOMER SPRING 8 224408-161 SPRING SPACER 9 224408-137 PACKING ASSY-MILO (INC. REF. 10-15) 244460-035 PACKING SET (PACKING ONLY) (INC. REF. 11 & 13)…

    Read moreLoading Done
  • SC-65 water pump components – suction/discharge valves for Vermeer D40x40

    SC-65 water pump components – suction/discharge valves for Vermeer D40x40

    0 out of 5

    REF. NO. PART NO. DESCRIPTION 1 224408-117 VALVE SEAT-HARDENED SS 2 224408-119 DOUBLE STEM VALVE 3 224408-123 GUIDE CAGE (SS) 4 220741-081 VALVE SPRING-1 9/16 FREE LENGTH 5 244408-121 O-RING (POLY) SIZE 026 6 224408-125 O-RING (RUBBER) SIZE 032 7 244460-021 VALVE SEAT-DISCHARGE 8 244460-023 POLYURETHANE INSERT 9 244460-025 VALVE SPRING 10 244460-027 GUIDE CAGE…

    Read moreLoading Done
  • SC-65 Water pump components for Vermeer D40x40

    SC-65 Water pump components for Vermeer D40x40

    0 out of 5

    REF. NO. PART NO. DESCRIPTION 1 224408-075 POWER FRAME 2 224408-077 CRANKCASE COVER 3 220741-009 3/8-16X5/8 HHCS 4 224408-079 GASKET-CRANKCASE COVER 5 224408-087 3/8″ PIPE PLUG-BLACK STEEL 6 224408-081 OIL LEVEL DIPSTICK 7 224408-083 O-RING 8 239383-009 PLUG-1/4 NPT SOCKET HEAD PLUG 9 220741-009 BREATHER-CRANKCASE 3/4M NPT 10 735-001 3/4″ COUNTERSUNK PIPE PLUG 11 224408-005…

    Read moreLoading Done
  • SC-65 water pump crankshaft components for Vermeer D40x40

    SC-65 water pump crankshaft components for Vermeer D40x40

    0 out of 5

    REF. NO. PART NO. DESCRIPTION 1 244460-009 CRANKSHAFT 2 244460-011 SPLINED ADAPTER 3 234309-005 BEARING CONE 4 234309-007 BEARING CUP 5 244460-035 SOCKET HD CAP SCREW ½ NC X 3 1/4 6 244460-013 SHIM SET 7 228098-025 OIL SEAL 8 244460-015 BEARING RETAINER & MOTOR ADAPTER 9 234309-009 BLIND BEARING CUP 10 224408-097 HEX HEAD…

    Read moreLoading Done
  • SC-65 water pump fluid end components for Vermeer D40x40

    SC-65 water pump fluid end components for Vermeer D40x40

    0 out of 5

    REF. NO. PART NO. DESCRIPTION 1 224408-105 FLUID END-DUCTILE IRON 2 224408-107 SOCKET HD CAPSCREW 7/8X2 3/4 3 224408-109 VALVE COVER & CYL. HEAD PLUG 4 235737-001 BOLT-1/2-13X2 1/4 GR 8 ZINC PLT 5 244460-017 VALVE COVER & CYL. HEAD PLUG RETAINER 6 224408-131 SEAL-STUFFING BOX (RUBBER) 7 238242-001 BOLT-3/4″-10X3″ GR 8 HEX Y/Z 8…

    Read moreLoading Done
  • Water pump outlet components for Vermeer D40x40

    Water pump outlet components for Vermeer D40x40

    0 out of 5

    REF. NO. PART NO. DESCRIPTION 1 235773-001 BOLT-3/8-16X1 1/2 GR8 ZINC PLT 2 235713-001 WASHER-3/8 SAE HARD ZINC PLTD 3 239253-001 ENDCAP-SC65 OUTLET FITTING 4 51163-001 O-RING 5 239252-001 PISTOL-SC65 OUTLET FITTING 6 51181-001 O-RING 7 239251-001 FITTING-APLEX SC65 OUTLET 239494-001 WATER PUMP OUTLET ASSY-SC65 (INC. ALL ITEMS IN THIS FIGURE)

    Read moreLoading Done