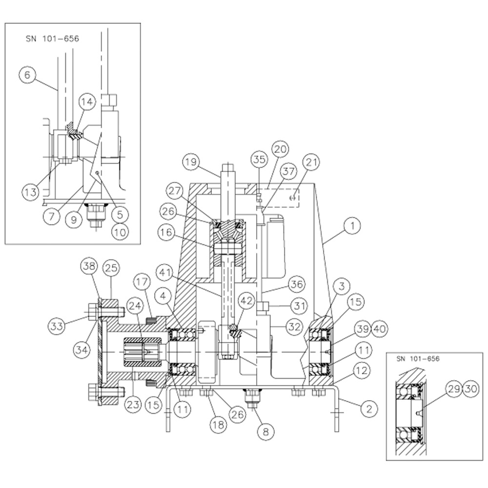
Water Pump Components – Power End for Vermeer D16x20/D20x22 S2
- Quality assurance
- Fast shipping from DE stock
- Secure Payments
Guaranteed safe checkout
| REF. NO. | PART NO. | DESCRIPTION | QTY. | REMARKS |
|---|---|---|---|---|
| Revision Date | September 2004 | Update to Heading&Illustrations. | ||
| 1 | 236318003 | POWER FRAME | 1 | |
| 2 | 236318005 | MOUNTING BASE | 1 | |
| 3 | 236318007 | BALL BEARING-SINGLE | 3 | |
| 4 | 236318009 | BALL BEARING DOUBLE | 1 | |
| 5 | 218416067 | HEX HD CAP SCREW 10-24 X 3/4 | 4 | S/N 101-656 |
| 6 | 218416059 | ASSEMBLY-CONN.ROD | 4 | S/N 101-656 |
| 7 | 236318001 | OIL SLINGER | 2 | S/N 101-656 |
| 8 | 236318013 | PLUG-1/4″ PIPE | 1 | |
| 9 | 229367009 | BOLTING STRIP | 2 | S/N 101-656 |
| 10 | 218416071 | STOP NUT | 4 | S/N 101-656 |
| 11 | 236318015 | OIL SEAL | 4 | |
| 12 | 236318017 | GASKET | 1 | |
| 13 | 218416083 | HHC 1/4-20 X 1 LOCK | 8 | S/N 101-656 |
| 14 | 229367007 | BEARING INSERT | 8 | S/N 101-656 |
| 15 | 236318019 | RETAINER RING | 4 | |
| 16 | 218416053 | PIN-WRIST | 4 | |
| 17 | 236318021 | HEX SOC CAP SCREW 1/2-13 X 1 | 4 | |
| 18 | 229367013 | CAPSCRE-HEX HD 3/8-16 X 3/4 | 12 | |
| 19 | 218416055 | CROSSHEAD | 4 | |
| 20 | 229367043 | NAME PLATE | 1 | |
| 21 | 218416029 | SCREW #4 X 3/16 | 2 | |
| 22 | 218416031 | PIPE PLUG-3/4″ SQ. HD. GALV. | 1 | |
| 23 | 236318023 | COUPLING | 1 | |
| 24 | 236318025 | RETAINER RING | 1 | |
| 25 | 236318027 | FLANGE | 1 | |
| 26 | 904540035 | OIL SEAL | 2 | |
| 27 | 229367017 | SEAL HOLDER | 2 | |
| 28 | 904540041 | WASHER-3/8 WAVE | 12 | |
| 29 | 236318029 | CRANKSHAFT-DRIVE | 1 | S/N 101-656 |
| 30 | 236318031 | CRANKSHAFT-DRIVEN | 1 | S/N 101-656 |
| 31 | 236318033 | BUSHING-3/4 X 1/4 HEX | 1 | |
| 32 | 229460011 | 3/4 NPT 45 DEGREE ST EL | 1 | |
| 33 | 236318035 | HEX HD CAP SCREW 1/2-13 1 1/2 | 2 | |
| 34 | 236318037 | LOCKWASHER-1/2″ | 2 | |
| 35 | 904540031 | BREATHER | 1 | |
| 36 | 236318039 | NIPPLE-1/4NPT X 4 1/2 | 1 | |
| 37 | 229367025 | REDUCER-1/4NPT X 1/8NPT | 1 | |
| 38 | 236318041 | COVER-FLANGE | 1 | |
| 39 | 236318004 | DRIVE-CRANKSHAFT | 1 | S/N 567- |
| 40 | 236318048 | DRIVEN-CRANKSHAFT | 1 | S/N 567- |
| 41 | 236318042 | ROD-CONNECTING | 1 | S/N 567- |
| 42 | 236318046 | BEARING INSERT | 1 | S/N 567- |
| 236318001 | PUMP-13.5 GPM WATER (COMPLETE) | Includes Figures 5-6 & 5-7 |
Only logged in customers who have purchased this product may leave a review.


Reviews
There are no reviews yet.