Water Pump-70 GPM APLEX Components for Vermeer 36х50
- Quality assurance
- Fast shipping from DE stock
- Secure Payments
Guaranteed safe checkout
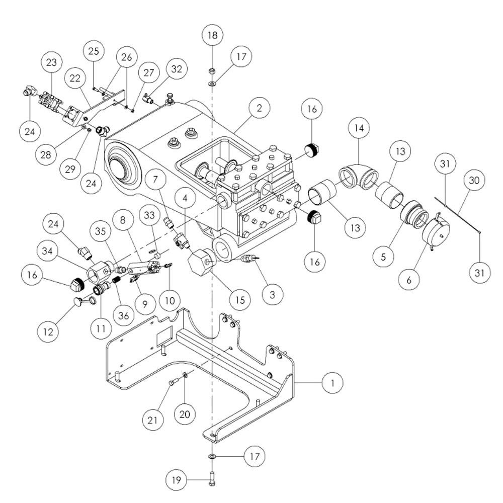
| REF. NO. | PART NO. | DESCRIPTION |
|---|---|---|
| 1 | 296279880 | PUMP-SUPPORT |
| 2 | 296279957 | PUMP-MUD – 70 GPM |
| 3 | 287554001 | SWITCH – 10 PSI NO/NC |
| 4 | 275770001 | VALVE – 3/4 MXF BALL W/THNDL |
| 5 | 275759001 | COUPLINE-3″MTPT X3″ FPT (POLY) |
| 6 | 215429001 | CAP-3″ CAM LOCK |
| 7 | 53886001 | 3/4M PIPE-#12M JIC ST. |
| 8 | 296265854 | WATER PRESSURE DUMBELL PISTON MAN ASSY |
| 9 | 75493001 | FITTING – TEST – 4MORB – 16MTP |
| 10 | 59423001 | 90-4MORBA-4MJ |
| 11 | 227235001 | COUPLER-1/2″NPT QUICK(FEMALE) |
| 12 | 234679001 | CAP-DUST |
| 13 | 296280248 | FITTING-3″ X CL GALV NIPPLE |
| 14 | 296260200 | FITTING-3″FNP1-3″FNPT-90 DEG. GAL |
| 15 | 296260201 | FITTING – REDUCER 90, 3″ MNPT 3/4 FNPT H |
| 16 | 296256568 | FITTING – PLUG – 32MNPT – SQ – GALV |
| 17 | 235715001 | WASHER-FLATSTRL-5/8″ YZ A325 |
| 18 | 250526001 | NUT – 5/8-18 NF HEX Y/ZINC |
| 19 | 238245001 | BOLT 5/8 – 11 X 2 1/4 GR 8 HEX |
| 20 | 235712001 | WASHER-1/2 SAE HARD ZINC PLTD |
| 21 | 235721001 | BOLT-1/2-13X1 1/2 GR8 ZINC PLT |
| 22 | 296303781 | WATER VALVE SUPPORT |
| 23 | 276003001 | VALVE – 1″ 1500 PSI BRASS BALL |
| 24 | 609904001 | 1″M NPT X 16M JIC 45 DEG ELBOW |
| 25 | 238209001 | BOLT-5/16-18X1 GR8 HEX ZINC YC |
| 26 | 235714001 | WASHER-FLATSTRL-.31-.34X.69-.06-YZ-A325 |
| 27 | 240333001 | NUT-5/16-18 GR8 TL ZINC PLTD |
| 28 | 235713001 | WASHER-FLATSTRL-.38-.41X.81-.06-YA-A325 |
| 29 | 235725001 | NUT – HEX – .38 – 16 – GR8 – YZ |
| 30 | 244069001 | CABLE-3/32″X12 XCX NYLON COATED |
| 31 | 1838001 | CONNECTOR-WIRE (ETC) |
| 32 | 543860001 | 1/2MX7-4M TCMJ4M JIC (FTC) |
| 33 | 735001 | 3/4″ COUNTERSUNK PIPE PLUG |
| 34 | 296472001 | FITTING-2″MX3/4″FX2 XCX FNPT TEE |
| 35 | 707007 | NIPPLE-3/4 HEX |
| 36 | 707003 | 1/2″ NPT HEX NIPPLE |
Only logged in customers who have purchased this product may leave a review.











Reviews
There are no reviews yet.